描述
特征
Q & A
技术参数
评价
下载
公司简介
- 描述
- 产品特征
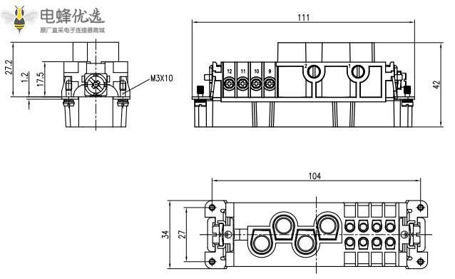
接插件针数:4+8芯
工作电流:80A/16A
工作电压:830/400V
额定脉冲耐受电压:8KV/6KV
隔离电阻:≥10Ω
工作温度范围:-40℃~+125℃
阻燃等级(据UL94):V0
导线规格:1.5~16mm²/1.0~2.5mm²
安装方式:开孔、表面
材料:压铸铝合金
颜色:灰色
锁定装置:不锈钢或镀锌钢
防护等级:IP65
材料:铜
表面处理:镀银
接线电阻:≤0.3/≤1mΩ
接线形式:螺钉接线




- 技术参数





- 公司简介




- Q & A
- 去提问
全部(0)
产品推荐(0)
产品应用(0)
定制(0)
配套产品(0)
其他(0)
没有评价数据
- 产品评价
- 去评价
0.0
好评率 100%
全部0评价
排序: 最新
全部(0)
带图评论(0)
好评(0)
中评(0)
质量好(0)
发货快(0)
差评(0)
没有评价数据
- 下载
暂无数据


