描述
特征
Q & A
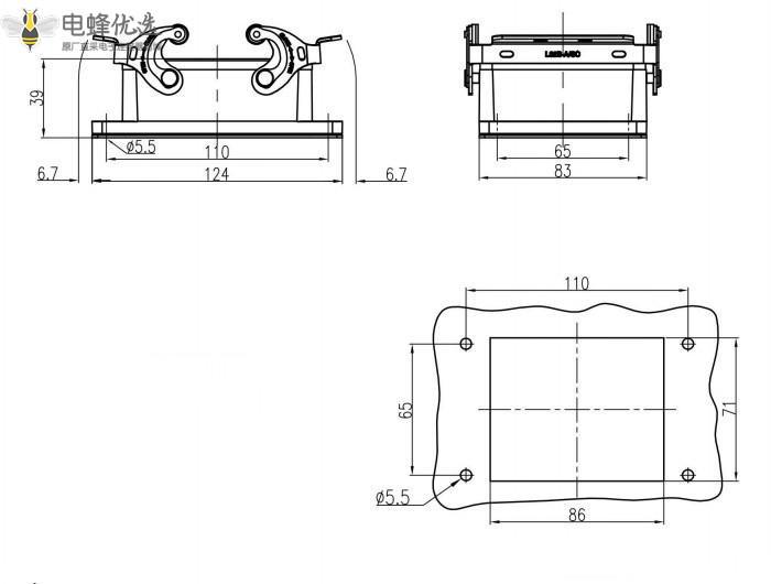
技术参数
评价
下载
公司简介
- 描述
- 产品特征
芯数:80芯
工作电流:10A
工作电压:250V
工作频率:高频
颜色:灰色
接线方式:冷压或焊接
额定脉冲耐受电压:6KV
绝缘电阻:≥10Ω
工作温度范围:-40℃~~+125℃
应用领域:机械设备





- 技术参数




- 公司简介




- Q & A
- 去提问
全部(0)
产品推荐(0)
产品应用(0)
定制(0)
配套产品(0)
其他(0)
没有评价数据
- 产品评价
- 去评价
0.0
好评率 100%
全部0评价
排序: 最新
全部(0)
带图评论(0)
好评(0)
中评(0)
质量好(0)
发货快(0)
差评(0)
没有评价数据
- 下载
暂无数据


