描述
特征
Q & A
技术参数
评价
下载
公司简介
- 描述
- 产品特征
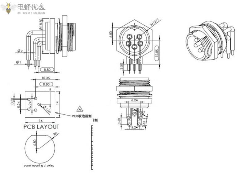
形状:圆形
料号:EB-404-0160
接线方式:焊接
外壳材质:锌合金镀镍
接触件材质:铜镀银
额定电流:4A
额定电压:125V
工作电压:200V
耐电压:1500V
绝缘阻抗:2000MΩ
接触阻抗:10MΩ
芯数:10芯
焊杯口孔径:0.8mm
接触体孔径:1.2mm
开孔尺寸:16mm
特性:导电性强、电阻小、使用寿命长
应用领域:工程,高精密设备连接,工厂流水线,工业生产
高质量原厂出货,30天无忧退换货;
来自品牌OEM原厂批发,相同质量,更实惠的价格。
- 技术参数
- 公司简介




- Q & A
- 去提问
全部(0)
产品推荐(0)
产品应用(0)
定制(0)
配套产品(0)
其他(0)
没有评价数据
- 产品评价
- 去评价
0.0
好评率 100%
全部0评价
排序: 最新
全部(0)
带图评论(0)
好评(0)
中评(0)
质量好(0)
发货快(0)
差评(0)
没有评价数据
- 下载
暂无数据


