描述
特征
Q & A
技术参数
评价
下载
公司简介
- 描述
产品参数
-
安装方式
接线
-
材质
铜
-
端接类型
焊接式
-
公母
公头
-
功能
防尘
-
方向
弯式
-
极性
标准
-
镀层
镀镍
-
安装特征
无
-
阻抗
75 Ω
-
外导体连接
压接
- 产品特征
产品特征:
- DIN1.0/2.3连接器,弯式,公头,同轴线缆,压接;
- 紧凑型设计,用于有限的空间,节省运输空间;
- 推拉式耦合方式,适合快速安装使用;
- 高性能接头,频率高达10GHz,支持高速率传输;
- 高质量原厂出货,30天无忧退换货;
- 来自品牌OEM原厂批发,相同质量,更实惠的价格。
DIN1.0/2.3连接器的主要应用:
航天和工防:通信系统
通讯、电信:有限电视,电话总机,高密度收音机,基站,交换设备
数据、通信:视频设备,无线电)

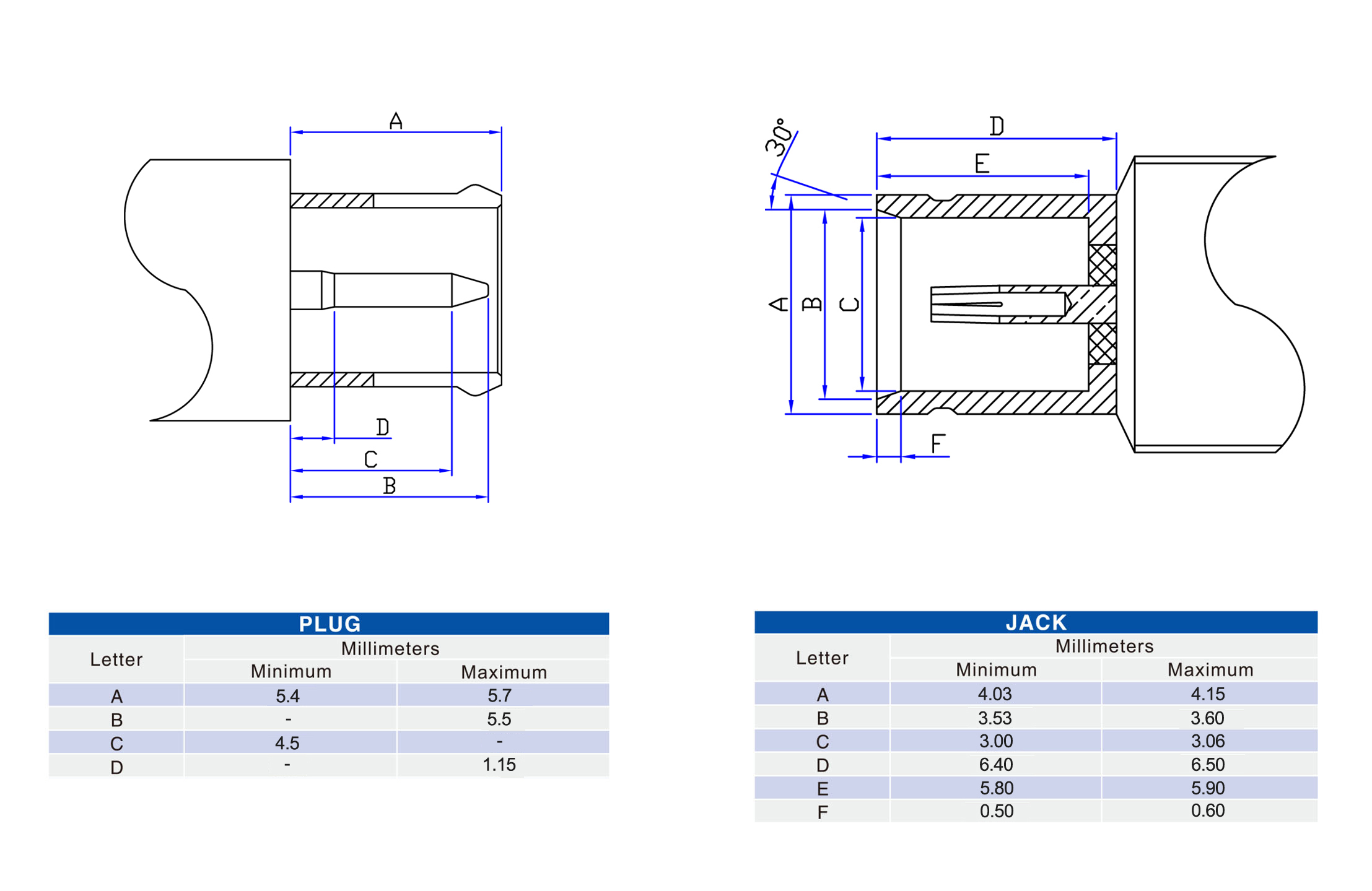
- 技术参数
技术参数:
电气性能
- 阻抗:50 ohm or 75 ohm
- 频率范围:0~4 GHz for 50 ohm, 0~2 GHz for 75 ohm
- 电压驻波比:直式 ≦ 1.3max / 弯式≦ 1.5max
- 耐电压:750 V rms
- 工作电压:250 V rms
- 中心接触电阻: ≦ 6.0 mΩ (Milliohms max.)
- 外接触电阻:≦ 3.0 mΩ (Milliohms max.)
- 绝缘电阻:≧ 10⁴ mΩ (Megohms min.)
机械性能
- 耦合方式:推拉式
- 保持力:4 lbs min.
- 配接耐久性:大于500次 (使用铍铜中心针时)
环境性能
- 温度范围:-40°C ~ +155°C
- 公司简介




- Q & A
- 去提问
全部(0)
产品推荐(0)
产品应用(0)
定制(0)
配套产品(0)
其他(0)
没有评价数据
- 产品评价
- 去评价
0.0
好评率 100%
全部0评价
排序: 最新
全部(0)
带图评论(0)
好评(0)
中评(0)
质量好(0)
发货快(0)
差评(0)
没有评价数据
- 下载
暂无数据


